条形码打印机操作指南
更新时间:2026-03-13 10:15:27
-
-
summer爱情故事免费版
- 类型:模拟经营
- 大小:
- 语言:简体中文
- 评分:
- 查看详情
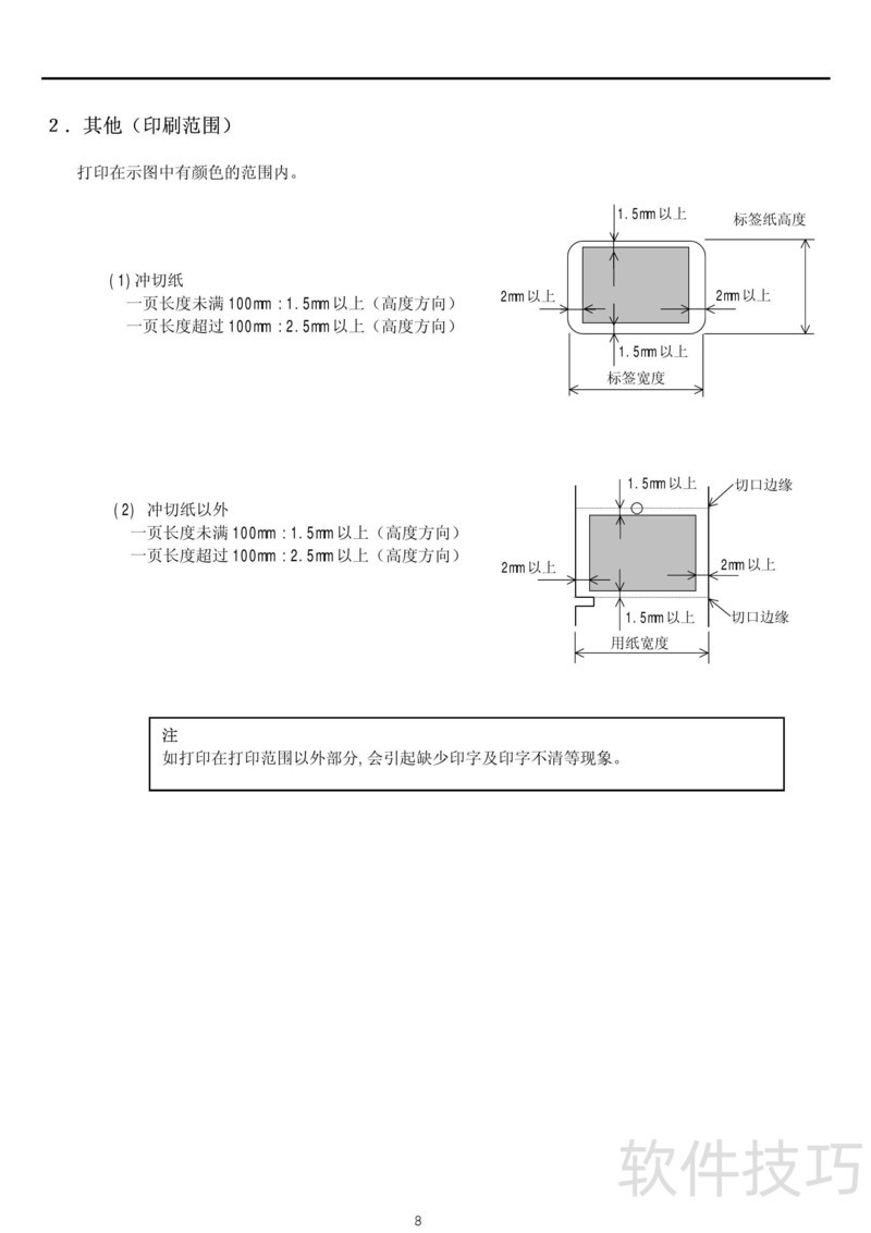
条形码打印机操作指南
本手册详细指导条形码打印机的使用及常见问题解决方案,助你高效操作并迅速排除故障,保障打印任务顺利完成。
此手册详细阐述条形码打印机的使用指南及常见故障排除技巧,助你轻松掌握并有效解决问题。
