Pro/E转PDF技巧
时间:2025-12-01
-
-
多玩我的世界盒子官网版
- 类型:生活服务
- 大小:1.4mb
- 语言:简体中文
- 评分:
- 查看详情
Pro/E转PDF技巧
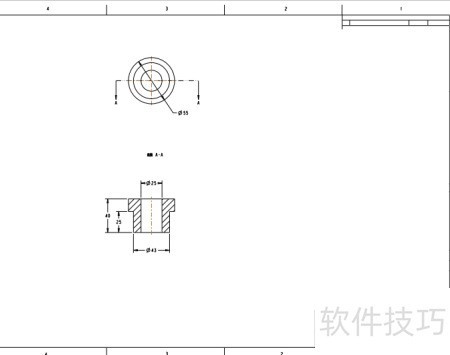
在Pro/E软件中生成的工程图可另存为PDF格式,确保图形外观完全保留原始特征。
- 所示的Pro/E工程图,需转换为PDF格式文件。

- 点击菜单中的文件,选择保存副本

- 弹出的路径是用于保存即将生成的PDF文件的存储位置。
- 选择桌面,下方类型选PDF文档,点击确认即可。

在PDF输出时,切换至“常规”选项,可以选择彩色、灰色或单色模式,系统默认使用是系统预设。

切换到内容选项卡,选择新增可搜索文字并开启所有字体的笔画样式,最后点击确认完成调整。

- 返回之前选择的PDF保存位置,打开文件查看内容。
